首页
关于我们
产品中心
板式换热器
钎焊式板式换热器
全焊式板式换热器
换热机组
生活热水机组
水泵
其它
视频展示
新闻动态
解决方案
公司新闻
客户案例
形象工程
案例展示
荣誉资质
资质证书
知识产权
联系我们
板式换热器
钎焊式板式换热器
全焊式板式换热器
换热机组
生活热水机组
水泵
其它
当前位置:
首页
>>
产品中心
>>
换热机组
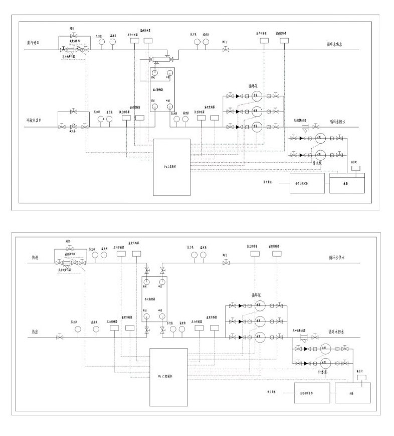
智能换热机组
时间:2022-04-13 13:28:21 浏览量:636
上一篇:
换热机组
下一篇:没有了!
石家庄ued官网有限公司以板式换热器、管式换热器、换热机组、 恒温生活热水机组、软化水设备、水泵、冶金阀门为一体的股份制企业
全国咨询热线:
88888888296
CONTACT
联 系 人:许经理
联系电话:88888888296
客服中心:88888888699
地 址:中国·河北·石家庄市光华路9号
友情链接:
石家庄ued官网有限公司
Copyright © 2018-2022 石家庄ued官网有限公司 版权所有
xml地图
****-1